产品概述
M-20iA型机械人为6轴增强型工业机械人即枢纽型手臂机械人,接纳的新型交流伺服电机具有结构紧凑、高输出、响应快、高可靠性等特点。机械人的手臂具有细长而紧凑的设计,由于各个轴的动态性能高,包管了优良的焊接精度、速率和可重复性。
高强度的手臂与先端的伺服控制手艺有用提高了各轴的行动速率及加减速的性能。运动的作业时间缩短15%以上,实现了行业内较高的生产能力。电机传动轴上装置有制动器,通过闭合电路原理行动,在失电的情形下自动抱闸,阻止危险性的运动。
性能特点
M-20ia机械人
多功效智能小型机械人
手艺参数
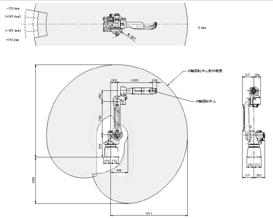
结 构 | 笔直多枢纽形(6自由度) | |
单轴最大 | 轴1(盘旋) | 340o |
轴2(上臂) | 260 o | |
轴3(下臂) | 458o | |
轴4(手腕盘旋) | 400 o | |
轴5(手腕摆动) | 360 o | |
轴6(手腕回转) | 900 o | |
单轴最大 | 轴1 | 195 o /s |
轴2 | 175o /s | |
轴3 | 180 o /s | |
轴4 | 360 o /s | |
轴5 | 360 o /s | |
轴6 | 550 o /s | |
外侧最大事情半径 | 1811 mm | |
内侧最小事情半径 | 317 mm | |
重复定位精度 | ±0.08mm | |
负载质量 | 轴6最大荷载20kg | |
重量 | 250 kg | |
装置方法 | 直立/悬挂 | |



