¸Ãº¸Ç¹ÊÇרΪ¹Ü×Ó¡¢¹Ü°åÈ«×Ô¶¯TIGÄڿ׺¸½ÓÉè¼ÆµÄ£¬ÊÊÓÃÓÚÄڿ׹ܰåÐÎʽµÄ×Ô¶¯»¯º¸½Ó¡£¿Éº¸½Ó̼¸Ö¡¢²»Ðâ¸ÖµÈµÈ¸÷¹Ü×Ó/¹Ü°åÌÖÂÛÐÎʽ£¬²»ÌîË¿¡£¹Ü×ÓÄÚ¿×Ö±¾¶¹æÄ£Ðè¡Ý?19mm¡£¿ÉÓëiOrbital5000³Ì¿Øº¸½ÓµçÔ´ÅäÌ×ʹÓ㬿ÉϸÃÜʵÏÖȫλÖÃTIGÄڿ׺¸½Ó£¬º¸½ÓЧ¹ûÖØÏÖÐԸߣ¬¿ÉµÖ´ïÀíÏëµÄº¸½ÓЧ¹û¡£Ö÷ÒªÓ¦ÓÃÓÚʯ»¯¡¢¹øÂ¯¡¢¾ü¹¤ºÍºËµçµÈÐÐÒµ¡£
ÊÊÓÃÓÚʯ»¯ÐÐÒµ»»ÈÈÆ÷¹Ü°åÄڿ׺¸£»
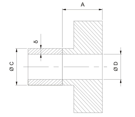
¿ÉÖª×ãСÄÚ¾¶¦µ19mm¹Ü°åµÄº¸½Ó£»
¶¨Î»×¼È·£¬²Ù×÷¼òÆÓÀû±ã£»
ÊÊÓÃÓÚ̼¸Ö¡¢²»Ðâ¸ÖµÈ²ÄÖʺ¸½Ó£»
¿Éƾ֤Óû§²úÆ·ÐèҪרÃÅÉè¼Æ¡£
¿Éº¸²ÄÖÊ | ̼¸Ö¡¢²»Ðâ¸Ö |
¿Éº¸¹Ü¾¶?D£¨mm£© | ¡Ý¦µ19 |
Éì½ø³¤¶ÈA£¨mm£© | 20¡«120 |
¹Ü×Ó±Úºñ¦Ä£¨mm£© | 1¡«2.5 |
¹Ü°åÐÎʽ | ¹Ü²å½Ó¡¢¹ÜƽÆë |
ÎÙ¼«Ö±¾¶£¨mm£© | ¡é2.4 |
ÐýתËÙÂÊ£¨rpm£© | 0.37¡«7.39 |
»¡³¤µ÷Àí¼ä¾à£¨mm£© | 15 |
±£»¤ÆøÌå | ë²Æø |
ÀäÈ´·½·¨ | Ë®Àä |
ÀäÈ´Á÷Á¿£¨ml/min£© | ¡Ý300 |
ÖØ Á¿£¨kg£© | 11(²»º¬µçÀÂ) |
ÐÎ×´³ß´ç(mm) | 570¡Á290¡Á510 |









